电子点火器电路
家庭用煤气灶、燃气热水器常采用到电子点火器。电子点火器也独立使用或用于电子打火机。电子点火器线路种类较多,但其原理大同小异,本文提供一个常用的电子点火器电路。
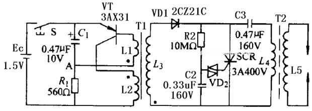
下图所示电路为该电路原理图,该电路由单节AA或AAA电池供电,现将其工作原理说明如下

图 电子点火器电路图
电路中C1、R1、VT、L1、L2为利用变压器耦合形成正反馈的自励振荡电路。
电源接通时,通过R1给VT提供一个基极电流,因此VT的集电极电流开始增加,通过L1、L2的耦合作用,在L1产生感应电动势,此电动势与电源电压叠加,使基极电流进一步增加,集电极电流也更趋增加,形成强烈的正反馈,结果使VT很快进入饱和状态,这时VT的集电极电流不再增加,因而L1中感应电动势将减小,VT的基极电流也开始减小,VT开始退出饱和区。集电极电流开始下降,在L1中的感应电动势极性变化,使基极电流进一步减小,如此又形成一个正反馈过程,结果使VT很快进人截止状态。在L1中感应电动势极性改变的同时,VD1开始导通,L2的能量传递给L3,待L2中磁能消耗完毕,VT的基极电位又下降,使VT再次导通,进人一个新的振荡周期。二极管VD1和C3、L4组成高压整流储能电路。根据T1各绕组的接法,L2处于电流增加阶段时,L3中的感应电动势的方向使VD1不能导通,只有当L2中电流从最大值开始减小时,L3的感应电势使VD1导通,并通过L4向C3充电,同时还通过R2向C2充电。在C2的电压还没有充到触发管VD2的导通电压(约30V左右)以前,C3没有放电回路,电压越来越高。R2、C2、VD2、SCR、C3、L4、L5组成充放电回路及打火回路。当C2的电压充到触发二极管VD2的导通电压时,VD2被击穿,电容C2通过VD2向晶闸管的触发极放电,使晶闸管SCR导通,把C3储存的能量迅速放掉,在L5感应出万伏以上的脉冲电压,击穿放电电极的间隙,产生放电火花。
本文出自家电维修网: http://www.bjjdwx.com/wz/2008-12-01/1024.html欢迎转载,转载请保留链接。- 刊登此文只为传递信息,并不表示赞同或者反对作者观点。
- 如果此内容给您造成了负面影响或者损失,本站不承担任何责任。
- 如果内容涉及版权问题,请及时与我们取得联系。

文章评论